持续按"开机"按键三相用电检查仪进入如下画面:
图四、开机画面 继续按键3秒仪器进入真正开机状态,三相用电检查仪会发出"滴、滴"响声,并且频率逐渐升高,证明已开机这是放开按键。
开机三相用电检查仪自动进入测量界面如下:
图五、系统图标界面 【系统图标界面】选择您需要的功能图标进入应用软件,轻触【用户手册】图标,进入中文简体电子版说明书,帮助您更快更准确地了解本仪表的应用功能和操作方式。
图六、伏安、相位、功率测量界面 点击【伏安相位】进入基本伏安相位测量界面,分颜色显示三相电压、电流、功角、功率因数、相角和三相功率。
图七、不平衡度界面 进入【伏安相位】功能,如图可以轻触【不平衡度】进入不平衡度测量界面,系统自动检测和计算三相电压和电流的不平衡度,以及矢量和。
图八、接线检查界面 轻触【接线检查】进入接线检查界面,确定数据稳定点击【HOLD】,保持现在数据不变,点击【分析】系统可以分析现有接线是否错误,并提示正确连接方式。
图九、CT/PT 进入CT/PT界面可以设置变比值,轻触变比值的位置,系统弹出设置键盘进行设置。
图十、备注信息填写 备注信息填写,可以填写测试单位、测试人员名称系统打印报告中包含填写信息内容。
图十一、电源管理 三相用电检查仪采用高效率的锂电池供电,当长期不用此机是保持电池电量在30%到70%为佳,放置时间尽量短,定期开机放电充电可以延长电池寿命。
图十二、帮助 帮助含有此三相用电检查仪使用说明。
图十三、系统设置 设置系统参数。
图十四、数据导出 导出数据到U盘,将U盘插入USB口选择需导出的.par格式文件,点击导出。可以用电脑打开里面包含word文档和excel两种格式的文件,方便客户报告使用。
图十五、谐波测试界面 进去【谐波】界面会出现上图显示,轻触【2-4次】可显示电压、电流的2-4次谐波含量,轻触【HOLD】可保存谐波数据,保存时间15秒,用户按界面显示等待。
如下图:
图十六、单相电接线方式 单相电测量将火线接到仪表的UA相,零线接到UN。电流钳传感器钳到火线上接入IA插孔。
如下图:
图十七、三相三线接线示意图 电压线的连接:使用专用电压测试线(黄、红、黑三组),一端依次插入本仪器的UA、UC、UN相插孔,另一端分别接入被测线路的A相、C相、B相。
注意:黄色线接UA插孔,黑色线接UN插孔、红色线接UC插孔。
电流线的连接:再将IA、IC钳插入本仪器IA、IC插孔中,再将另一端分别卡入被测电流回路。
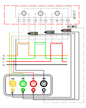
如下图:
图十八、三相四线接线示意图 电压线的连接:使用专用电压测试线(黄、绿、红、黑四组),一端依次插入本仪器的UA、UB、UC、UN相插孔中,另一端再接入被测线路的A相、B相、C相、零线。
电流线的连接:将 IA、IB、IC钳表插入本仪器IA、IB、IC插孔中,再将另一端分别卡入被测电流回路。