将六路差动保护矢量分析仪电源线插入仪器【电源接口】,另一端插入市电电源口,注意本仪器工作在180-240V工频为50Hz的交流电压下。打开电源开关,液晶显示屏显示开机界面、型号,如果未出现开机界面请检查仪器是否通电或者仪器保险是否熔断,保险在电源接口处。设备由于使用系统软件开机速度略慢,请耐心等待。关机可直接关闭电源。备用电源充电时请确定开机,但无需打开备用电源开关。由于备用电源属于一般应急使用,工作时间短。
(相位角:-180.0 ~ 180.0 电压超前电流为正,反之为负)。
设备配件有5A电流钳3只,10A电流钳3只,电压测试线四根,可按照【测量接线】章节插入香蕉座。由于本设备采用TFT彩色触摸屏。系统配U盘一只,用于保存测量数据。
如下图为测试界面
图一、测试界面
进入测试界面可以看到测试信息,界面底部为操作菜单栏,可进行HOLD(数据保持)、保存、设置、接线判断、退出操作。
上面五栏:显示三相一次侧电流、二次侧电流、二次侧电压、二次侧电流与二次侧电压之间功角及功率因数、二次侧有功功率、无功功率和视在功率;
中间三栏:显示电压间、电流间相位关系,A1、B1、C1分别代表一次侧A相、B相、C相,AII、BII、CII分别代表二次侧,二次侧分电压和电流。
下面六栏:显示电压、电流不平衡度以及额定电压等信息。
例如:
【电压相位】AII>BII表示电压A相提前电压B相120.1°;
【电流相位】AII>BII表示电流A相提前电流B相120.1°;
【相位差】AI>AII表示一次侧电流提前二次侧电流0.1°;
【不平衡度】显示二次侧电压电流的不平衡度具体数值。
【相量图】本系统可显示一次侧电流和二次侧电压、电流之间的相位关系,用户方便快捷的分析出测量线路的角差及相位关系,具有直观、准确等特点。
六路差动保护矢量分析仪采用鼠标与触摸屏双操作方式,方便客户操作。
如下图:
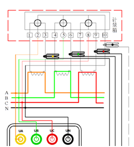
图二、三相三线接线示意图
电压线的连接:使用专用电压测试线(黄、红、黑三组),一端依次插入本仪器的UA、UC、UN相插孔,另一端分别接入被测线路的A相、C相、B相。注意:黄色线接UA插孔,黑色线接UN插孔、红色线接UC插孔。
电流线的连接:将电流一次侧、二次侧分别对应接口接好,请注意不要钳反,以免测量出现180°相位差。
如下图:
图三、三相四线接线示意图
电压线的连接:使用专用电压测试线(黄、绿、红、黑四组),一端依次插入本仪器的UA、UB、UC、UN相插孔中,另一端再接入被测线路的A相、B相、C相、零线。
电流线的连接:将电流一次侧、二次侧分别对应接口接好,请注意不要钳反,以免测量出现180°相位差。
【HOLD】点击进入HOLD模式,可保存数据、设置参数、判断接线;
【保存】数据直接保存为Word文档(*.doc)、Excel文档(*.xls),可保存到U盘,用户可直接在电脑上打开导出的报告进行查看,并附有界面上所有测量信息,包括相量图。
【设置】点击进入设置模式,可设置接线方式、角度参考、角度正方向、接线判断允许误差值以及测量人姓名、单位、备注,填写内容在保存测试报告中自动添加,方便用户使用
鼠标点击【HOLD】系统进入如下界面:
|图四、HOLD模式界面
功能:
【HOLD】再次点击退出HOLD模式,回到软件主界面;
【保存】将当前数据导出为Word文档(*.doc), Excel文档(*.xls),并保存到所选的路径;
注意:数据只可保存到U盘和设备的HardDisk目录下,推荐保存到U盘,以免数据丢失。
点击主界面【设置】进入设置界面如下图:
图六、信息设置界面
【接线方式】有三相四线和三相三线可选;
【额定电压】电压值为1-999之间的整数,单位为(V);
【角度参考】以A相电压或A相电流为参考;
【角度正方向】设置相量图的正方向。