1.7.2.min.js">
  • 鼎升电力二维码
  • 电力预防性试验China Electric Industry Ieaders
  • 全国统一服务热线:400-6698-612

HL标准电流互感器使用方法

标准电流互感器操作方法

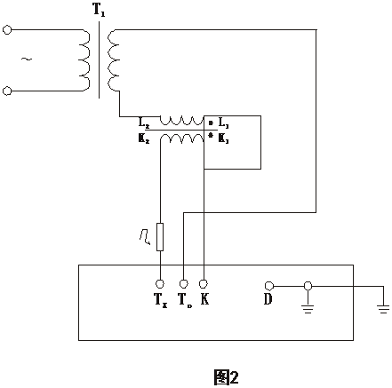
一、标准电流互感器自校

若电流互感器有5/5或者1/1电流比时,则可经常进行自校,以考核其准确度。 自校线路如图2所示。图中TX为电流互感器,为负荷箱。
电流互感器自校图: 标准电流互感器自校接线图

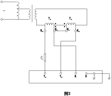
二、标准电流互感器检定

标准电流互感器检定比其低两级或两级以下准确等级的互感器时,其线路图如图3所示。图中,To为标准电流互感器,TX为被检电流互感器,为被检电流互感器所带的负荷。
电流互感器检定图: 标准电流互感器检定图 电流互感器退磁图: 标准电流互感器退磁图

三、标准电流互感器注意事项

1. 检定电流互感器时,标准电流互感器与被检电流互感器的电流比必须相同。
2. 严格按照图中所给出的线路接线。
3. 检定互感器之前,须先测试负荷箱是否准确。
4. 检定过程中,严禁二次绕组开路。
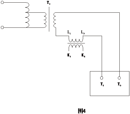
5. 检定互感器之前需先退磁,退磁线路如图4所示。
6. 在图4中,二次开路,均匀缓慢调节调压器,使百分表指示由0增至100%,然后均匀且缓慢地降至零。重复这一过程2~3次。退磁完毕后切断电源之前,应将二次绕组短接。
7. 带升流器电流互感器的接线原理图与上述的接线图大致相同,只是升流器的输出绕组与互感器的一次绕组是同一绕组,其余均相同。

厂家承诺、客户必读
说明我公司将竭诚为您提供专业的产品及咨询与有效的技术服务,并及时提供工程预约及产品使用疑难解答, 已购买或即将使用本公司产品的客户,遇技术疑难,请致电我们。

我们严格遵守与客户签订的合同的各项条款,严格履行厂家销售服务承诺书,本产品一年质保,终身维修,因使用不当或保修期外的故障产品可凭产品保修卡修理。本公司坚持"用户为是,品质为上"的服务使命,为客户提供优质的产品和满意的服务。

产品服务流程|检定证书| 出厂报告|保修卡|物流包装|产品技术

400-6698-612 全国产品统一服务热线(免费咨询)
027-87875698 / 027-87180938

027-87180938
工作时间(上午8点30分 至 下午17点30分)

产品维修中心|技术咨询|订制产品
  • 客服中心
  • 全国统一服务热线:400-6698-612
  • 销售咨询:027-87875698
  • 技术售后:027-87180938
  • 2239963269 (点击咨询)
Copyright © 2016 CHINA DSEPA | 法律声明 鄂ICP备14004560号
武汉鼎升电力自动化有限责任公司 版权所有 侵权必究