• 鼎升电力二维码
  • 电力预防性试验China Electric Industry Ieaders
  • 全国统一服务热线:400-6698-612

DGGZ-T全自动互感器校验装置使用方法

  • 该全自动互感器校验装置电力系统和其它从事互感器检定单位的理想设备
  • 产品说明书 技术参数 附件清单
  • 提醒:关于咨询、购买、维护及产品故障等相关服务,致电客服。

全自动互感器校验装置操作方法

一、互感器校验装置测试接线图

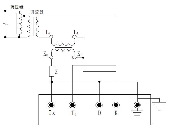
(一) 电流互感器校电流互感器接线

全自动互感器校验装置测试接线图

(二) 电流互感器自校接线

全自动互感器校验装置自校接线

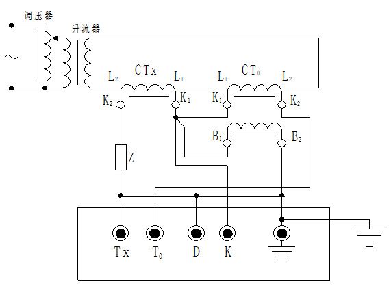
(三) 双级电流互感器校电流互感器

全自动互感器校验装置接线图

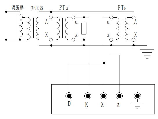
(四) 电压互感器校电压互感器接线

注意:在做PT时,一次测大X必须可靠接地!全自动互感器校验装置电压互感器接线图

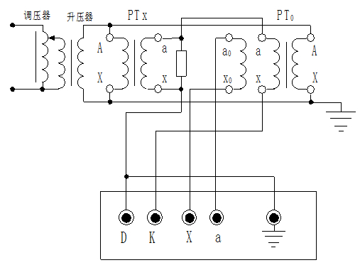
(五) 双级电压互感器校电压互感器

全自动互感器校验装置双级电压互感器校电压互感器接线图

(六) 电压互感器自校接线

全自动互感器校验装置电压互感器自校接线

(七)电压互感器校电压互感器接线图(高电位端测量接线方法)

全自动互感器校验装置校电压互感器接线图注意:测量阻抗时务必等调压器回零后再变换负载值.否则将危及互感器校验装置及设备安全

(八) 测量阻抗

全自动互感器校验装置测量阻抗接线图

(九)测量导纳

全自动互感器校验装置测量导纳接线图 注意:测量阻抗时务必等调压器回零后再变换负载值.否则将危及互感器校验装置及设备安全。

二、互感器校验软件介绍

(一) 系统介绍

全自动互感器校验装置软件系统介绍互感器误差数据管理系统的主要任务是以互感器基本数据为线索,按《国家计量检定规程》对互感器进行检定、打印、查询统计、计划报表等进行管理。
(1)互感器按《国家计量检定规程》进行检定管理;
(2)试数据可以通过人工录入,也可调用本公司一体化校验装置的测试数据,实现互感器校验、管理一体化;
(3)实现控制校验仪及台体自动完成互感器的测量;
(4)能够打印规程所要求的所有记录及证书、结果通知书及各种计划报表;
(5)丰富的统计查询功能,包括统计和查询在某一时间段内所检定的设备情况,统计和查询某检定人员在某一时间段内所完成的工作量及检定情况;
(1)按满足用户需要设计的数据库备份和恢复功能;
(2)完整的系统使用教程和在线联机帮助,方便用户使用。
打印界面如图全自动互感器校验装置软件打印界面全自动互感器校验装置软件打印界面

三、使用注意事项

1.测试前,请先阅读相关接线图,并由有资质的专业人员接线操作。
2.如有不清楚,请先电话联系厂家,问清后再操作。
3.在接线或拆线前,必须确定校验仪关机,整机电源断电,操作箱断电;
4.开机前请仔细检查,确认接线无误,接线牢靠,地线连接;
5.在进行电流互感器试验时,请注意二次不能开路,包括不能随意切换电流负载箱的档位;

6.电压互感器试验时,请注意二次不能短路。要求必须严格按接线图接线,并可靠接地,同时应围起试验场地,保留足够安全距离,防止他人误入,发生事故;
7.做电流互感器试验时,必须按铭牌要求使用规定档位和选用规定的大电流导线和专用测试线;
8.操作本装置的必须是专业(或经过有效培训)人员,严禁非专业人员操作本装置;
9.请勿擅自打开本装置的任何部分否则将不能得到有效包修服务,同时也可能发生危险;
10.装置保养清洁时,请使用柔软干净棉布擦净即可;
11.互感器校验装置轻拿轻放,避免雨淋或阳光长时间照射。

厂家承诺、客户必读
说明我公司将竭诚为您提供专业的产品及咨询与有效的技术服务,并及时提供工程预约及产品使用疑难解答, 已购买或即将使用本公司产品的客户,遇技术疑难,请致电我们。

我们严格遵守与客户签订的合同的各项条款,严格履行厂家销售服务承诺书,本产品一年质保,终身维修,因使用不当或保修期外的故障产品可凭产品保修卡修理。本公司坚持"用户为是,品质为上"的服务使命,为客户提供优质的产品和满意的服务。

产品服务流程|检定证书| 出厂报告|保修卡|物流包装|产品技术

400-6698-612 全国产品统一服务热线(免费咨询)
027-87875698 / 027-87180938

027-87180938
工作时间(上午8点30分 至 下午17点30分)

产品维修中心|技术咨询|订制产品
  • 客服中心
  • 全国统一服务热线:400-6698-612
  • 销售咨询:027-87875698
  • 技术售后:027-87180938
  • 2239963269 (点击咨询)
Copyright © 2016 CHINA DSEPA | 法律声明 鄂ICP备14004560号
武汉鼎升电力自动化有限责任公司 版权所有 侵权必究