图四、开机画面继续按键3秒,手持式三相相位伏安表进入真正开机状态,仪表会发出"滴"响声,证明仪表已开机时放开按键。
开机仪表自动进入测量界面如下:
图五、伏安相位测量界面 如果手持式三相相位伏安表测量方式选择三相三线,用触摸笔轻触图标“三相四线”图标会变成"三相四线",相同操作可实现单相测量。本仪表具有数据保持和保存功能,轻触“HOLD”图标,图标颜色 由灰色变成测量数据静止"HOLD",下面出现保存图标,轻触保存图标,可以保存数据,数据保存采用循环保存新保存数据会自动删除最早保存的那组数据,查看功能可以查看保存数据紫色图标会用R**(**代表01、02…10),通过上一页"上一页"图标和下一页“下一页”图标翻看数据。上述功能在功率测量界面同样有效。请按图标”功率“
图标变成蓝色
如下图进入功率测量界面,保存数据时伏安相位测量数据同样被保存。轻触向量图图标进入六角向量图测量界面,六角图按颜色画出电压和电流的矢量图(A相电压和电流为黄色、B相电压和电流为绿色、C相电压和电流为红色)。
图六、功率测量界面 轻触向量图图标进入六角向量图测量界面,六角图按颜色画出电压和电流的矢量图(A相电压和电流为黄色、B相电压和电流为绿色、C相电压和电流为红色)。
图七、六角向量图界面
如下图:
图八、单相电接线方式单相电测量将火线接到仪表的UA相,零线接到UN。电流钳传感器钳到火线上接入IA插孔。
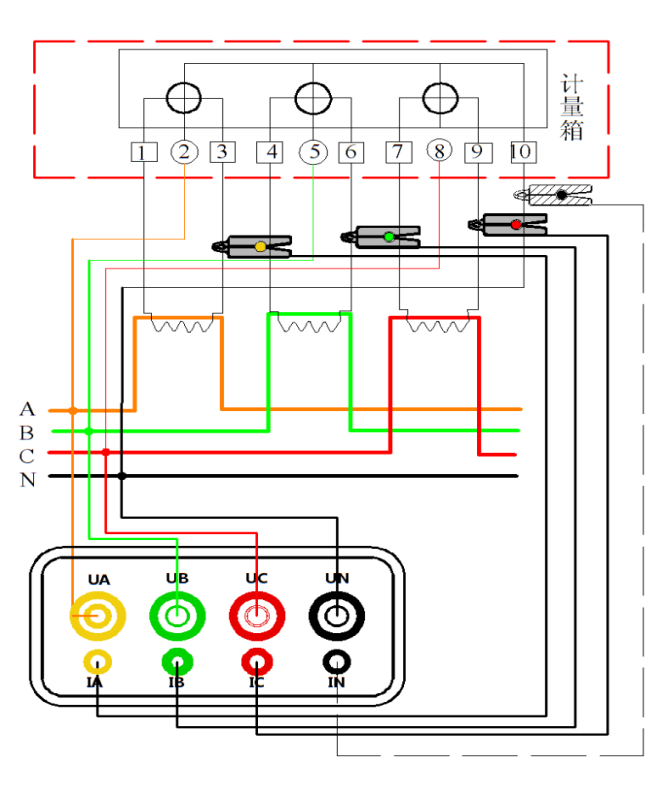
如下图:
图九、三相三线接线示意图电压线的连接:使用专用电压测试线(黄、红、黑三组),一端依次插入本仪器的UA、UC、UN相插孔,另一端分别接入被测线路的A相、C相、B相。注意:黄色线接UA插孔,黑色线
接UN插孔、红色线接UC插孔。
电流线的连接:再将IA、IC钳插入本仪器IA、IC插孔中,再将另一端分别卡入被测电流回路。
图十、三相四线接线示意图电压线的连接:使用专用电压测试线(黄、绿、红、黑四组),一端依次插入本仪器的UA、UB、UC、UN相插孔中,另一端再接入被测线路的A相、B相、C相、零线。
电流线的连接:将 IA、IB、IC钳表插入本仪器IA、IB、IC插孔中,再将另一端分别卡入被测电流回路。
如需实现以上功能,需增配一个电流钳,标准配置是三个电流钳