• 鼎升电力二维码
  • 电力预防性试验China Electric Industry Ieaders
  • 全国统一服务热线:400-6698-612

YDJ油浸式试验变压器操作方法

  • 适用于电力系统对各种高压电气设备、绝缘材料进行工频或直流高压下的绝缘强度试验
  • 产品说明书 技术参数 附件清单
  • 提醒:关于咨询、购买、维护及产品故障等相关服务,致电客服。

油浸式试验变压器操作方法

一、油浸式试验变压器使用方法

YDJZ 试验变压器做被试品的工频耐压试验使用接线原理图见图1。

油浸式试验变压器使用接线原理图图1 图中:R1 ?C 限流电阻RCF ?C 阻容分压器 RF ?C 球间隙保护电阻 G ?C 球间隙 CX ?C 被试品
注:高压尾必须可靠接地。
1.1 工频耐压试验中限流电阻R1应根据试验变压器的额定容量来选择。如高压侧额定输出电流在100?C300mA时,可取0.5 - 1Ω?M?ィㄊ匝榈缪梗?;高压侧额定输出电流为1A以
上时,可取1Ω?M?ィㄊ匝榈缪梗?。常用水电阻作为限流电阻,管子长度可按150KV?Mm考虑,管子的粗细应具有足够的热容量(水阻液配制方法:用蒸馏水加入适量硫酸铜配
制成各种不阻值。同的
1.2 球间隙及保护电阻:当电压超过球间隙整定值时(一般取试验电压的110% - 120%)球间隙放电,对被试品起到保护作用。球间隙保护电阻可按1Ω?M?ィㄊ匝榈缪梗┭?
1.3 在工频耐压试验中,低压侧测量电压(仪表电压)不是非常准确的,其原因是由于试验变压器存在着漏坑,在这上个漏抗上必然存在着压降或容升,使试品上的电压低于
或高于低压侧测量电压表上反映出来的电压。工频耐压试验时,被试品上的电压高于试验变压器的输出电压,也就是所谓容升现象。感应耐压试验时,试验变压器的漏抗必须
存在着压降。为了准确测量被试品上所施加的电压,因此常在高压侧接入FRC阻容分压器来测量电压(见图1)。

二、工频耐压试验操作注意事项

2.1 试验人员应做好分工,明确相互间联系办法。并有专门人监护现场安全及观察试品状态。
2.2 油浸式试验变压器应先清扫干净,并绝对干燥,以免损坏被试品和试验带来的误差。
2.3 对于大型试验,一般都应先进行空升试验。即不接油浸式试验变压器时升压至试验电压,校对各种表计,调整球间隙。
2.4 升压速度不能太快,并必须防止突然加压。例如调压器不在零位的突然合闸。也不能突然切断电源,一般应在调压器降至零位时拉闸。
2.5 当电压升至试验电压时,开始计时,到1min后,迅速降压到1?M3试验电压以下时,才能拉开电源。
2.6 在升压或耐压试验过程,如发现下列不正常情况时,应立即降压,切断电源。停止试验并查明原因:1)电压表指针摆动很大;2)发现绝缘烧焦或冒烟;3)
被试品内有不正常的声音。
2.7 耐压试验前后应测量绝缘电阻,检查绝缘情况。
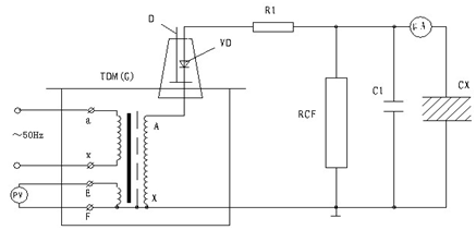
2.8 试验变压器在做被试品的直流耐压或泄漏试验时接线原理图如图2。
注:此试验应先抽出短路杆"D",图2中所示。 油浸式试验变压器高压直流泄漏试验接线图 图2:高压直流泄漏试验接线图 图中:VD?C高压硅堆R1?C限流电阻 C1?C高压滤波电容 RCF-阻容分压器 CX?C被试品 uA?C带保护微安表 泄露试验中限流电阻R1选择在额定输出电压时,输出端短路电流不超过高压硅堆的最大整流电流。如电压硅堆的最大整流电流为100mA时用于60KV的试验装置中,
限流电阻按R1=60/0.1=600KΩ选择。限流电阻还应具有足够的容量和沿面放电距离。高压滤流电容C1一般选择在0.01 ?C 0.1uF,当被试品的电容量很大时,C1可省略不用。

三、泄漏试验的操作及注意事项

3.1 试验前应先检查油浸式试验变压器是否停电,接地放电,一切对外连线是否擦干净。要严防将试验电压加到有人工作的部位上去。
3.2 接好试验装置的接线后,应复查无误后才可加压。应特别注意检查高压设备及引线与地、与操作人员工安全距离,被试品的外壳是否可靠接地,要按安全规程中所规定的内容进行试验。
3.3 对于大电容量设备应缓慢升压,防止油浸式试验变压器的充电电流烧坏微安表。必要时应分级加压,分别读取各级电压下微安表的稳定读数。
3.4 试验过程,应密切监视被试品、试验装置、微安表,一旦发生击穿、闪烁等异常现象应立即降压,切断电源,并查明原因,详细记录。
3.5 试验完毕,降压,切断电源后应将被试品及试验装置本身充分放电。

四、油浸式试验变压器注意事项

4.1 按照您所进行的试验接好工作线路。试验变压器的外壳以及操作系统的外壳必须可靠接地。试验变压的高压绕组的X端(高压尾)以及测量绕组的F端必须可靠接地。
4.2 做串级试验时,第二级、第三级试验变压器的低压绕组成X端,测量绕组的F端以及高压绕组的X端(高压端)均接本级试验变压器具外壳。第二级、第三级试验变压器的外壳必须通过绝缘支架接地。
4.3 油浸式试验变压器接通电源前,操作系统的调压器必须调到零位后方可接通电源,合闸,开始升压。
4.4 从零开始匀速旋转调压器手轮升压。升压方式有:快速升压法,即20s逐级升压法;慢速升压法,即60s逐级升压法;极慢速升压法供选用。电压从零开始按一定的升压方式和速 度上升到您所需的额定试验电压的75% 后,再以每秒2% 额定试验电压的速度升到您所需的试验电压,并密切注意测量仪表的及被试品的情况。升压过程中或试验过程中如发现测 量仪表的指示及被试品情况异常,应立即降压,切断电源,查明情况。
4.5 试验完毕后,应在数秒内匀速的将调压器返回至零位,然后切断电源。
4.6 油浸式试验变压器不得超过额定参数使用。除试验必需外,决不电压通电或断电。
4.7 使用油浸式试验变压器做高压试验时,除熟悉本说明书外,还必须严格执行国家有关标准和操作规程。如《高压输变设备的绝缘配合,高压试验技术》;《电气设备预防性试验规程》等

厂家承诺、客户必读
说明我公司将竭诚为您提供专业的产品及咨询与有效的技术服务,并及时提供工程预约及产品使用疑难解答, 已购买或即将使用本公司产品的客户,遇技术疑难,请致电我们。

我们严格遵守与客户签订的合同的各项条款,严格履行厂家销售服务承诺书,本产品一年质保,终身维修,因使用不当或保修期外的故障产品可凭产品保修卡修理。本公司坚持"用户为是,品质为上"的服务使命,为客户提供优质的产品和满意的服务。

产品服务流程|检定证书| 出厂报告|保修卡|物流包装|产品技术

400-6698-612 全国产品统一服务热线(免费咨询)
027-87875698 / 027-87180938

027-87180938
工作时间(上午8点30分 至 下午17点30分)

产品维修中心|技术咨询|订制产品
  • 客服中心
  • 全国统一服务热线:400-6698-612
  • 销售咨询:027-87875698
  • 技术售后:027-87180938
  • 2239963269 (点击咨询)
Copyright © 2016 CHINA DSEPA | 法律声明 鄂ICP备14004560号
武汉鼎升电力自动化有限责任公司 版权所有 侵权必究