工频" />
DBJF-H 局部放电测试仪
耐压测试仪DBNY-S 高压耐压测试仪
数字分压器YDJ 油浸式试验变压器
YDQ 充气式试验变压器
GTB 干式试验变压器
注:按容量需求定制!
SFQ 三倍频发生器
SFQ-H 多倍频发生器
SFQ 三倍频感应发生器
XC-H 工频耐压控制箱
XC 试验变压器控制箱
TC-H 试验变压器专用控制台
TC 试验变压器控制台
DAXZ 电缆耐压试验装置
DAXZ 发电机耐压试验装置
DAXZ 变电站电气设备耐压装置
DBDJ 电机耐压试验装置
DCBZ-T 变压器综合测试台
变压器绕组变形测试仪DCBX-H 变压器绕组变形测试仪
DCBX-S 变压器绕组变形测试仪
DCZZ-1A
DCZZ-10A
DCZZ-3A
DCZZ-50A
DCZZ-5A
DCZZ-100A
DCZZ-S10A 三回路直流电阻仪
DCZZ-S20A 三通道直流电阻仪
DCBYC-S 变压器有载开关测试仪
DCBYC-H 变压器有载开关测试仪
DCBS-S 损耗参数测试仪
DCBS-SI 空载及负载特性测试仪
DCRS-H 容量及损耗参数测试仪
DCRS-HI 容量及损耗参数测试仪
DCBC-H 变压器变比测试仪
DCBC-S 变压器变比组别测试仪
DCJS-S 抗干扰介损测试仪
DCJS-H 异频介损测试仪
DCJS-T 异频介损自动测试仪
80S 绝缘油介电强度测试仪
单杯 绝缘油介电强度测试仪
三杯 绝缘油介电强度测试仪
六杯 绝缘油介电强度测试仪
DGK-S 高压开关动特性测试仪
DGK-H 高压开关动特性测试仪
DGK-T 石墨开关特性测试仪
100A回路电阻测试仪-可调
100A回路电阻测试仪-打印
100A回路电阻测试仪
200A回路电阻测试仪
200A回路电阻测试仪-打印
DAS-500A断路器安秒测试仪
DAS-1000A断路器安秒测试仪
DZK-H 真空开关真空度测试仪
开关漏电保护装置测试仪DLB-S 漏电保护器测试仪
DEWJB 六相微机继电保护测试仪
DEWJB 三相微机继电保护测试仪
DEWJB 三相继电保护测试仪
DEWJB-3S 微机继电保护测试仪
DEJB-H 全自动继电保护测试仪
DEJB-S 继电保护测试仪
DERJ-H 三相热继电器测试仪
瓦斯继电器校验仪DEWJ-H 瓦斯继电器校验仪
SMG2000B 数字双钳相位伏安表
SMG2000E 数字双钳相位伏安表
SMG3000 三相相位伏安表
SMG3001 三相相位伏安表
DFDL-S 电缆故障测试仪
DFDL-SI 高压电缆故障测试仪
DFDL-H 二次脉冲电缆故障测试仪
DFDL-T 多次脉冲电缆故障测试仪
DFCZ-H 电缆安全刺扎器
DFGX-H 地下管线探测仪
DFXL-S 输电线路故障距离测试仪
DFXL-H 输电线路工频参数测试仪
DFXL-T 输电线路异频参数测试仪
DGDN-T 三相电能表检验装置
电能表现场校验仪(综合) 用电检查仪(相角、频率、功率)DGDZ-S 手持式电能质量分析仪
DGDZ-H 便携式电能质量分析仪
DGDY-H 单相程控测试电源
DGDY-3H 三相程控测试电源
DGCY-H 交流采样变送器校验装置
DGJZ-H 交直流指示仪表校验装置
DGGZ-T 互感器检定装置
互感器综合测试仪DGFA-T 变频互感器测试仪
DGFA-102 CT伏安特性测试仪
DGCT-T CT参数分析仪
DGCT-S 互感器变比极性测试仪
DGQL-H 电流互感器校验仪
DGQY-H 电压互感器校验仪
DGYF-H 二次压降及负荷测试仪
互感器负荷箱DHYB-T 氧化锌避雷器带电测试仪
DHYB-HI 氧化锌避雷器在线测试仪
DHYB-H 氧化锌避雷器特性测试仪
DHYB-S 氧化锌避雷器参数测试仪
DHFD-H 避雷器放电计数器测试仪
DHFD-S 雷击计数器校验仪
DHYM-H 盐密测试仪
DHHM-H 灰密测试仪
DHJY-T 绝缘子故障测试仪
DHJY-H 绝缘子分布电压测试仪
DHJY-S 绝缘子零值测试仪
DIDW-5A地网接地电阻测试仪
DIDW-3A地网接地电阻测试仪
DMG267(0~2)数字兆欧表
DMG267(0~2)F 智能兆欧表
DMG2670 高压兆欧表
DMG2671 数字兆欧表
DMG2672 电子兆欧表
DMG2670F 数字兆欧表
DMG2671F 电子指针数字兆欧表
DMG2672F 数字兆欧表
DC2010 绝缘电阻测试仪- 智能
DC2000 绝缘电阻测试仪- 吸收比
DC2403 绝缘电阻测试仪
DC2500 指针式绝缘电阻测试仪
DC2533 高压绝缘电阻表
SC-2000B 直流接地故障测试仪
DIDT-10A 接地引下线导通测试仪
GM-5kv 可调高压数字兆欧表
GM-10kv可调高压数字兆欧表
GM-15kv可调高压数字兆欧表
GM-20kv可调高压数字兆欧表
充气式试验变压器作业指导书,鼎升电力技术《充气式试验变压器作业指导书》、试验变压器使用方法及交流耐压,充气式试验变压器作业指导书来自于鼎升电力检测试验技术,鼎升电力致立研发标准、稳定、安全的电力试验设备。
鼎升电力试验变压器生产厂家,欢迎拨打咨询电话!027-87875698.【点击查看】
工频交流耐压试验是电力预防性试验中最常见的试验项目,充气式试验变压器也是常见的升压设备,下文以充气式试验变压器为例,简要讲述操作方法及现场接线。

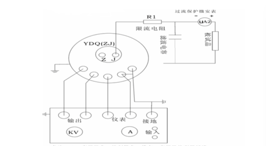
1. 交流耐压试验接线图

2.直流泄露试验接线图

操作试验方法
1. 按上图接线,检查压力表指示内部气体压力是否正常(≥0.3MPA)
2. 做交流耐压时短路杆插入孔J中,做直流泄漏试验,取出短路杆。
3. 限流电阻配置:工频耐压每伏0.3~1欧:直流每伏5~10欧,一般试验可不用。
4. 拆除被试品线引线,套管及器身脏污清除,必要时采用屏蔽措施。
5. 准备工作和安全措施就绪,空试一次设备。
6. 接上被试品,直流试验应用屏蔽线,以消除杂散泄漏。
7. 合上电源,控制箱(柜)电源批示绿灯亮。
8. 按下起动按钮,起动指示灯亮。
9. 对控制箱,顺时针均匀加电,注视电压表达到额定电压值。
10. 持续规定耐压时间并注视电流表指示。
11. 耐压时间到,注视KV表,迅速均匀降零。
12. 做图2实验后用放电棒经电阻放电,然后直接接地放电。
13. 高压部分可能被充电部位一一放电后,改变或拆除高压引线,及一切引线至此一次试验终止。
2239963269