电力预防性试验设备提供商

服务热线:400-6698-612
鼎升电力> 电力技术 > 电力预防性试验 > 如何安装DCBYC-H变压器有载开关测试仪的上位机?
电力预防性试验 / Power Preventive Test

如何安装DCBYC-H变压器有载开关测试仪的上位机?

返回 打印

电力技术来源:产品技术部   发布时间:2014-09-04 00:00:00   阅读量:1845
摘要:有载开关测试仪  有载分接开关测试仪

如何安装DCBYC-H变压器有载开关测试仪的上位机?,鼎升电力技术《如何安装DCBYC-H变压器有载开关测试仪的上位机?》、变压器有载开关测试仪使用方法及有载开关测试仪,如何安装DCBYC-H变压器有载开关测试仪的上位机?来自于鼎升电力检测试验技术,鼎升电力致立研发标准、稳定、安全的电力试验设备。

鼎升电力是变压器有载开关测试仪相关产品及技术的制造厂家,如您遇到相关问题,可拨打027-87875698咨询!

        DCBYC-H变压器有载开关测试仪主要适用于测量和分析电力系统中电力变压器及特种变压器有载分接开关的电气性能指标的综合测量仪器,电力行业标准DL/T911-2004和使用规程规范研制新型变压器有载开关测试仪变压器有载开关测试仪采用计算机集成控制,通过特殊设计的测量及处理电路,可实现对有载分接开关的过渡时间、过渡波形、过渡电阻、三相同期性、等参数的测量,用户可根据需要和现场条件,直接由分接开关引线进行测量,也可由变压器三相套管及中性点直接接线测量,DCBYC-H变压器有载开关测试仪可自动找出波形中间的故障、可适用于以带绕组或不带绕组进行测试,测试Y0Y△型变压器,阻值不用换算直接显示数据分析人性化,可以自动的找出波形中间的故障,并做记录。  
        DCBYC-H变压器有载开关测试仪具有对所测数据进行分析、存贮、打印等功能,解决了目前电力变压器有载分接开关测量方法落后的问题,可在电力设备预防性试验及变压器大修中及时诊断出有载分接开关的潜在故障。DCBYC-H变压器有载开关测试仪的诞生,提高电力系统运行的可靠性具有重要意义。  
        如何安装DCBYC-H变压器有载开关测试仪的上位机:  
        在变压器有载开关测试仪内面配置的U盘插上电脑,打开U盘,复制文件。

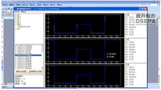
        打开U盘,查找所以分析的文件(可以根据时间 档位来查找)点击文件出现:

        光标移到波形中间,显示的是哪个点的时间和阻值哪里点击转换WORD文档显示:文件在U盘内面,要打开WORD文档显示测试的报告。  

        更多DCBYC-H变压器有载开关测试仪的详细参数请访问:   
        http://www.kv-kva.com/325/
更多技术问题请致电鼎升电力客户服务:400-6698-612,技术部:027-87180938,在线客服:2239963269
注:如果您对所购买的产品需要做技术引导,您可与我司技术部联系,售后、保修、维修服务中心:/shfw.html
如果您在阅读时,对 "如何安装DCBYC-H变压器有载开关测试仪的上位机?"等有相关的疑问或者建议?
请给我们留言,立即留言 我们收到问题后,会及时与您联系,如果您的问题比价重要,您也可以通过027-87875698与技术部联系,我们同样会尽快处理您的问题。
《中华人民共和国电信与信息服务业务经营业员许可证》粤ICP备13003602号 法律声明